Przejdź do głównej treści
Zamknij wyszukiwarkę Wyczyść Szukaj
Produkty w koszyku: 0. Zobacz szczegóły

🌡️ Basenowe pompy ciepła ♨️

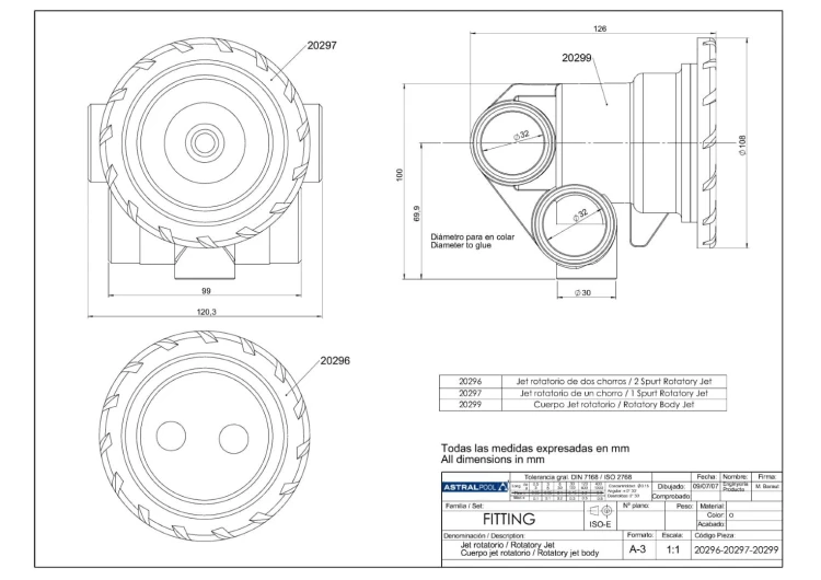
Dysza Do Wanny Spa Pojedyncza Podwójna

Producent: ASTRALPOOL FLUIDRA SPAIN (przejdź do produktów)

2 osoby kupiły 25 szt

Przejdź do sekcji Opinie
z VAT
bez VAT
Cena 280,00 zł
w tym 23% VAT

Ceny podane bez kosztów dostawy.

Cena 227,64 zł
bez VAT

Ceny podane bez kosztów dostawy.

Wybierz wariant produktu:

Poszczególne warianty mogą różnić się ceną

Wybierz Pojedyncza wirująca Podwójna wirująca Obrotowe gniazdo Tuleja ścienna
szt
Dostępność:
wybierz wariant
Dostawa od 19,00 zł - Kurier Inpost/DPD/DHL + ich punkty (Polska)

Zarządzasz przesyłką: termin, przekierowanie, 35000 punktów odbioru: sklepy, stacje, automaty

Czas wysyłki: do 48 godzin
Zapytaj o produkt
Opis Opinie o produkcie

Dysze do wanien spa

  • Pojedyncza dysza wirująca, przepływ ok 2,5m/h
  • Podwójna dysza wirująca, przepływ ok 2,5m/h
  • Obrotowe gniazdo dyszy
  • 2 1/2" tuleja ścienna 20cm przepustowa do dyszy wirującej (nie zawiera dysz)

Liczba ocen: 15
Oceń i opisz

Promocje

Wybrane specjalnie dla Ciebie